OEM BNCコネクタ Supplier

寧波ハンソン通信技術有限公司 / 製品 / RF同軸コネクタ / BNCコネクタ

BNCコネクタ

説明:

BNC シリーズ RF 同軸コネクタは、米国軍事規格 MIL-C-39012 に準拠して開発されたバヨネット式 RF 同軸コネクタです。迅速な接続と確実な接触が特徴で、世界で最も広く使用されているコネクタの1つです。 BNC シリーズ RF 同軸コネクタの特性インピーダンスは 50Ω と 75Ω に分かれており、2 つの異なるインピーダンス コネクタのサイズは一致しています。

パラメータ:

主な技術仕様:
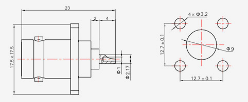
◆特性インピーダンス:50Ω/75Ω
◆周波数範囲:DC-4GHz(50Ω)/DC-1GHz(75Ω)
◆ 絶縁抵抗: ≥5000MΩ
◆耐電圧:1500V(rms)
◆ 電圧定在波比 (VSWR): ≤1.25
◆ 嵌合回数: 500 回

お問い合わせ

薄暗い
途中
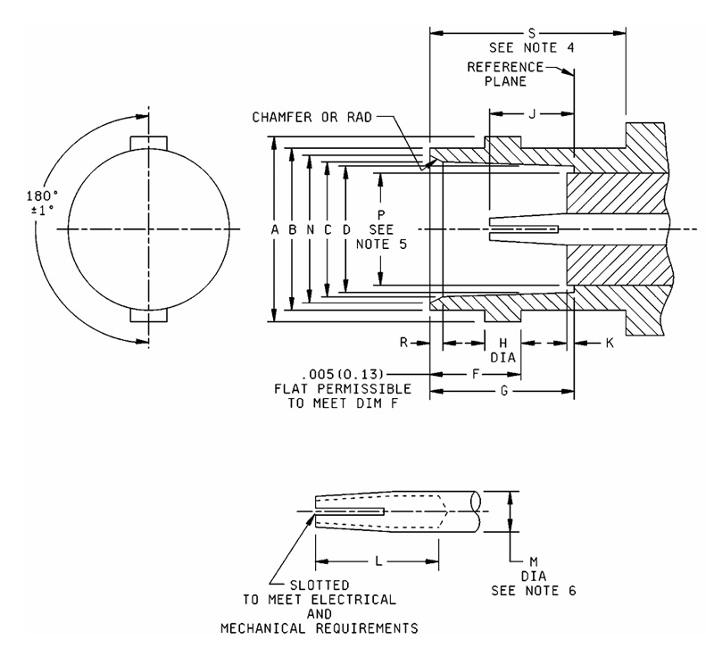
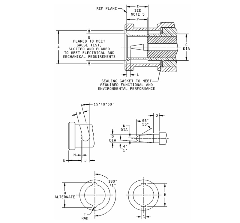
ミリメートル (インチ)
最小 最大
.432 (10.97) .436 (11.07)
B .378 (9.60) .382 (9.70)
C .327 (8.31) .333 (8.46)
D .319 (8.10) .321 (8.15)
F .204 (5.18) .208 (5.28)
G .327(8.31) .335 (8.51)
H .075 (1.91) 081(2.06)
.186(4.72) .206 (5.23)
K ------- .006(0.15)
L .195 (4.95) -------
M .081 (2.06) 087 (2.21)
N .346(8.79) .356 (9.04)
P ------- .256 (6.50)
R .015 (0.38) .030 (0.76)
S .414 (10.52) -------

注:
1. 寸法はインチ単位です。同等のメトリックは括弧内にあります。
2. 同等のメートル法は、一般的な情報のみを目的として示されています。
3. このインターフェースは、DSCC の図面または仕様に指定されているゲージ要件を満たさなければなりません。
4. 相手側コネクタのカップリングナットのクリアランス。
5. 「P」寸法は、基準面を超えて寸法 K だけ広がる誘電体の部分 (該当する場合) に適用されます。
6. 「M」は長さ「L」以上にのみ適用されます。

薄暗い
途中
ミリメートル (インチ)
最小 最大
385 (9.78) .390 (9.91)
B ゲージテスト
D .052 (1.32) .054 (1.37)
E .210 (5.33) .230 (5.84)
G .091(2.31) .097 (2.46)
H .463 (11.76) .473 (12.01)
H 代替 .394 (10.01) .400 (10.16)
J .124(3.15) -------
K .091(2.31) .097 (2.46)
L .003 (0.08) -------
M .018 (0.46) .022 (0.56)
N ------- .025 (0.64)
P .208 (5.28) -------
Q .078 (1.98) -------
T .045 (1.14) .049 (1.24)
U .180(4.57) .184 (4.67)

注:
1. 寸法はインチ単位です。同等のメトリックは括弧内にあります。
2. 同等のメートル法は、一般的な情報のみを目的として示されています。
3. 嵌合状態では、カップリング機構のバネの長手方向の力は、基準面での外側接点の突き当てを確保するのに必要な量だけ、シールガスケットによって加えられる圧力を超えなければなりません。
4. このインターフェイスは、指定されたゲージ要件を満たさなければなりません。

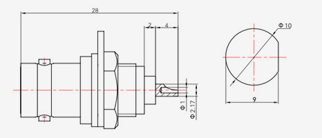
BNC SERIES
  • BNC-KB3
    BNC-KB3
    モデル ケーブルの種類
    BNC-KB3 SFT-50-3,670-141
  • BNC-KYB2
    BNC-KYB2
    モデル ケーブルの種類 d
    BNC-KYB2 SFT-50-2,670-086 Φ2.2
    BNC-KYB3 SFT-50-2,670-141 Φ3.6
  • BNC-J3
    BNC-J3
    モデル ケーブルの種類
    BNC-J3 SYV-50-2-1、RG316
    BNC-J4 SYV-50-2-2
    BNC-J5、(K)5 SYV-50-3、SFCJ-50-3-51、RG142
    BNC-J7 SYV-50-5-1、SFCJ-50-5-51
    BNC-J10 SYV-50-7-1、SYV-50-7-2、SFCJ-50-7-51
  • BNC-J3Y
    BNC-J3Y
    モデル ケーブルの種類
    BNC-J3Y SYV-50-2-1
    BNC-J5Y SYV-50-3
  • BNC-J12
    BNC-J12
    モデル ケーブルの種類
    BNC-J12 SYV-75-3
  • BNC-75J13Y
    BNC-75J13Y
    モデル ケーブルの種類
    BNC-75J13Y SYV-75-5
  • BNC-JW3Y
    BNC-JW3Y
    モデル ケーブルの種類
    BNC-JW3Y SYV-50-2-1、RG316
  • BNC-KF3
    BNC-KF3
    モデル ケーブルの種類
    BNC-KF3 SYV-50-2-1、RG316
    BNC-KF4 SYV-50-2-2
    BNC-KF5 SYV-50-3、SFCJ-50-3-51、RG142
  • BNC-KY3
    BNC-KY3
    モデル ケーブルの種類
    BNC-KY3 SYV-50-2-1、RG316
    BNC-KY4 SYV-50-2-2
    BNC-KY5 SYV-50-3、SFCJ-50-3-51、RG142
  • BNC-KF
    BNC-KF
  • BNC-ケンタッキー州
    BNC-ケンタッキー州

連絡を取り合う

[#入力#]
送信
私たちについて
寧波ハンソン通信技術有限公司
寧波ハンソン通信技術有限公司
Ningbo Hanson Communication Technology Co., Ltd. is China BNCコネクタ Supplier and Custom BNCコネクタ Company. We are a manufacturer specializing in the production, processing, and trade of communication components, with more than 30 years of experience in RF coaxial connectors, adapters, and cable assemblies. 同社は現在、独自の機械加工工場、電気めっき工場、組立工場、および安定した信頼できるサプライヤーのグループを開発しました。会社の目的は、顧客に高品質の製品を提供することです。主な製品 RF 同軸コネクタ、アダプタ、高周波ケーブル アセンブリ、および低相互変調ケーブル アセンブリです。さらに、同社は、製品に対する顧客の特別な要件を満たすためのカスタマイズされたニーズを持つ顧客向けのサービスも提供できます。 同社の製品は、航空宇宙、通信基地局、医療機器、その他のハイテク分野で広く使用されています。企業の改革、革新、発展、成長の際に、当社は率先してISO9001国際品質マネジメントシステムに参加し、管理レベルを継続的に向上させ、新旧の顧客により満足のいく製品とサービスを提供しました。
最新ニュース
  • RF 同軸コネクタは、最新の通信システムにおいて重要な役割を果たし、最小限の損失で高周波信号の信頼性の高い伝送を可能にします。ワイヤレス ネットワークから放送機器に至るまで、これらのコネクタは、信号の完全性が最優先される RF アプリケーションでは不可欠なコンポーネントです。 とは何ですか RF同軸コネクタ ? ...

    READ MORE
  • 今日のテクノロジー主導の世界では、多くの業界が信号を明瞭かつ正確に送信するために効果的な通信システムに依存しています。このプロセスで重要な役割を果たす重要なコンポーネントの 1 つは、RF (無線周波数) ケーブル アセンブリです。しかし、RF ケーブル アセンブリとは正確には何ですか?また、さまざまなアプリケーションにおいてこれほど重要なのはなぜでし...

    READ MORE
  • 通信機器、基地局システム、テスト機器、無線モジュールなどのアプリケーションでは、多くのエンジニアが共通の問題に遭遇します。それは、信号はデバイス側で通常はテストされますが、RF コネクタを接続すると著しく弱くなるか、さらには不安定になるということです。 ほとんどの場合、問題は機器自体にあるのではなく、RF コネクタの不適切な選択、取り付け、または...

    READ MORE
  • RF 同軸アダプターは、無線通信、電子機器、信号伝送に不可欠なコンポーネントです。これらは、さまざまな RF 同軸ケーブルとデバイスを接続するブリッジとして機能し、安定した効率的な信号伝送を保証します。しかし、市場には数多くのモデルと仕様の RF 同軸アダプターが存在するため、適切な製品を選択することが多くのエンジニアや技術者にとって懸念事項となってい...

    READ MORE
ビジネスチャンスをお探しですか?

今日の電話リクエスト