OEM SMA RF Coaxial Connector Supplier

寧波ハンソン通信技術有限公司 / 製品 / RF同軸コネクタ / SMAコネクタ

SMAコネクタ

説明:

SMA RF 同軸コネクタは、米国軍事規格 MIL-C-39012 に従って開発、製造されたネジ接続機構を備えた RF 同軸コネクタです。小型、広帯域幅、優れた機械的および電気的性能、および高い信頼性という利点があります。最も広く使用されている RF コネクタの 1 つです。マイクロ波通信、航空宇宙、兵器システム、マイクロ波測定装置などの分野で広く使用されています。

パラメータ:

主な技術仕様:
◆特性インピーダンス:50Ω
◆ 周波数範囲:DC~26.5GHz
◆ 絶縁抵抗: ≥5000MΩ
◆耐電圧:1000V(rms)
◆ 電圧定在波比 (VSWR): ≤1.25
◆ 嵌合回数: 500 回

お問い合わせ
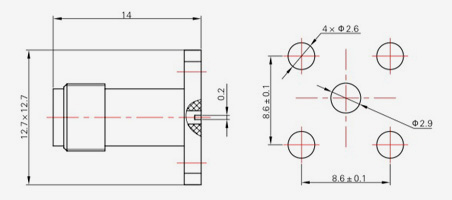
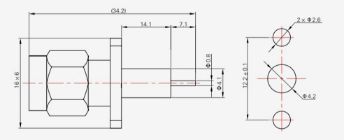
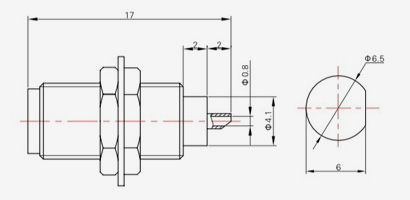
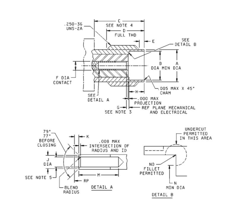
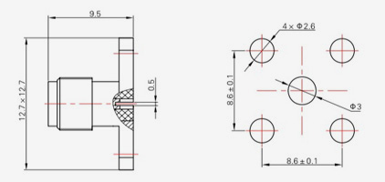
  • SMあ オス / プラグ コネクタ インターフェイスの寸法

薄暗い。
中尉
インチ(mm)
分。 最大。
.255(6.48) ------
B ------ .1808(4.59)
C ------ .135(3.43)
D .130(3.30) ------
E .015(0.38) .045(1.14)
F .0355(0.90) .0370(0.94)
G ------ .012(0.30)
H ------ .100(2.54)
J .000(0.00) ------
K .050(1.27) ------

注:
1. 寸法はインチ単位です。
2. 同等のメートル法は、情報提供のみを目的として示されています。
3. コネクタのインターフェース (嵌合後) は、ほこりや湿気のない状態に保たなければなりません。
4. カップリングナットの全長にわたって伸びる場合があります。



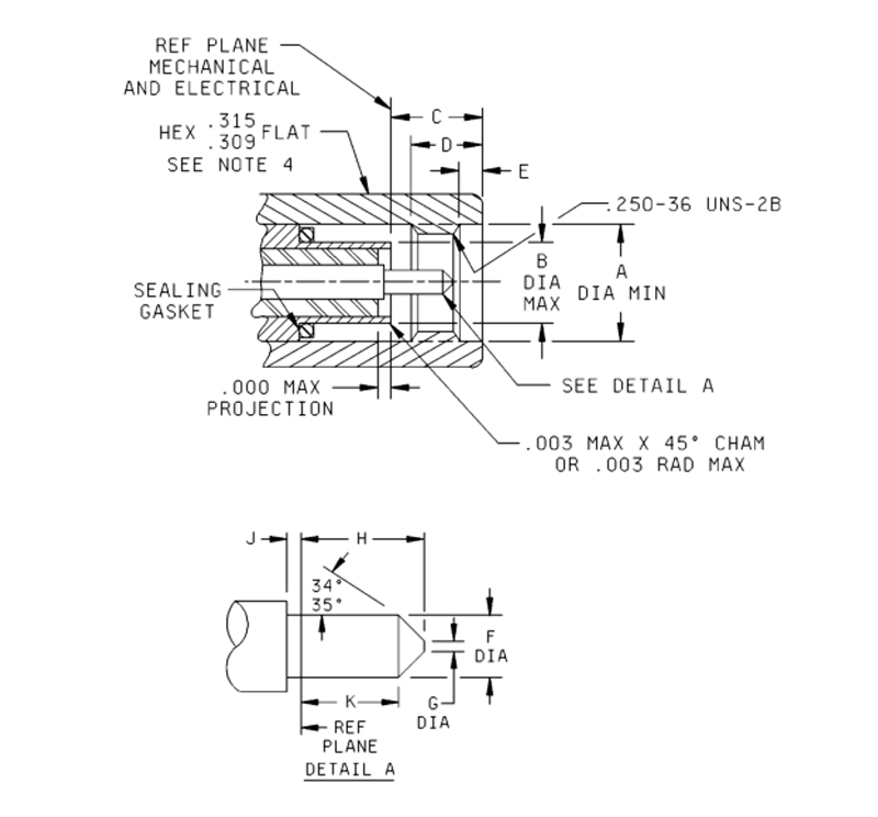
  • SMA メス / ジャック コネクタ インターフェイスの寸法

薄暗い。
中尉
インチ (mm)
分。 最大。
.208 (5.28) .216(5.49)
B .1810(4.60) ------
C .218(5.54) ------
D .170(4.32) ------
E 0.15(0.38) .045(1.14)
F .049(1.24) .051(1.30)
G .000(0.00) .010(0.25)
H .074(1.88) .078(1.98)
J .043(1.09) .047(1.19)
K .000(0.00) .010(0.25)
M .105(2.67) ------
N .168 (4.27) ------

注:
1. 寸法はインチ単位です。
2. 同等のメートル法は情報提供のみを目的としています。
3. 最大コンタクト リセスが 0.030 インチ (0.76) である以前に認定された部品は、政府の使用には受け入れられません。メンテナンスや部品交換の際に .030 リセス設計が使用されているかどうかを判断するには注意が必要です。
4. 相手側コネクタのカップリングナットのクリアランス。
5. VSWR、嵌合特性、コネクタ嵌合時の耐久性を考慮した寸法
直径 .0355/-.0370 インチのピン。

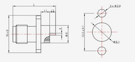
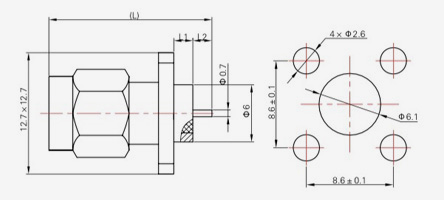
スマ SERIES
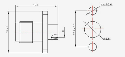
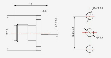
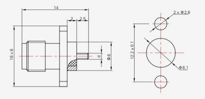
  • SMA-JB1
    SMA-JB1
    モデル ケーブルモデル d L
    SMA-JB1 SFT-50-1,670-047 Φ1.2 12.5
    SMA-JB2 SFT-50-2,670-086 Φ2.2 11.2
    SMA-JB3 SFT-50-3,670-141 Ф3.6 12.0
  • SMA-JB3A
    SMA-JB3A
    モデル ケーブルモデル
    SMA-JB3A SFT-50-3,670-141
  • SMA-JB3E
    SMA-JB3E
    モデル ケーブルモデル
    SMA-JB3E SFT-50-3,670-141
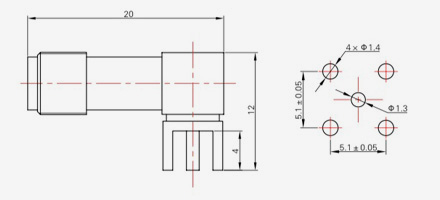
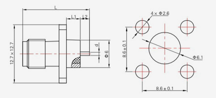
  • SMA-JWB2
    SMA-JWB2
    モデル ケーブルモデル d L
    SMA-JWB2 SFT-50-2,670-086 Φ2.2 15.6
    SMA-JWB3 SFT-50-3,670-141 Φ3.6 16
  • SMA-KB2
    SMA-KB2
    モデル ケーブルモデル d
    SMA-KB2 SFT-50-2,670-086 Φ2.2
    SMA-KB3 SFT-50-3,670-141 Φ3.6
  • SMA-J5
    SMA-J5
    モデル ケーブルモデル
    SMA-J5 SYV-50-3、RG142、
    SFCJ-50-3-51
    SMA-J5C
  • SMA-(K)5
    SMA-(K)5
    モデル ケーブルモデル
    SMA-(K)5 SYV-50-3、RG142、
    SFCJ-50-3-51
  • SMA-J5.3
    SMA-J5.3
    モデル ケーブルモデル
    SMA-J5.3 32055,205,GNB-415
  • SMA-JW2
    SMA-JW2
    モデル ケーブルモデル
    SMA-JW2 SYV-50-1
    SMA-JW3 SYV-50-2-1、RG316
    SMA-JW4 SYV-50-2-2
    SMA-JW5 SYV-50-3、RG142、SFCJ-50-3-51
  • SMA-JW5-1
    SMA-JW5-1
    モデル ケーブルモデル
    SMA-JW5-1 SYV-50-3、RG142、SFCJ-50-3-51
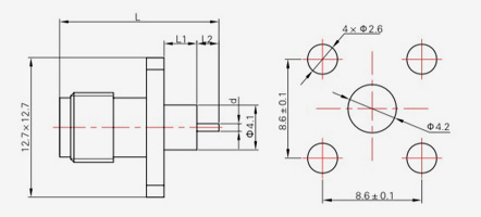
  • SMA-KFB2
    SMA-KFB2
    モデル ケーブルモデル d
    SMA-KFB2 SFT-50-2,670-086 Φ2.2
    SMA-KFB3 SFT-50-3,670-141 Φ3.6
  • SMA-KFB2-1
    SMA-KFB2-1
    モデル ケーブルモデル d
    SMA-KFB2-1 SFT-50-2,670-086 Φ2.2
    SMA-KFB3-1 SFT-50-3,670-141 Φ3.6
  • SMA-KYB2
    SMA-KYB2
    モデル ケーブルモデル d
    SMA-KYB2 SFT-50-2,670-086 Φ2.2
    SMA-KYB3A SFT-50-3,670-141 Φ3.6
  • SMA-KYB3
    SMA-KYB3
    モデル ケーブルモデル d
    SMA-KYB3 SFT-50-3,670-141 Φ3.6
  • SMA-J2
    SMA-J2
    モデル ケーブルモデル
    SMA-J2 SYV-50-1
    SMA-J3 SYV-50-2-1、RG316
    SMA-J4 SYV-50-2-2
  • SMA-K2
    SMA-K2
    モデル ケーブルモデル
    SMA-K2 SYV-50-1
    SMA-K3 SYV-50-2-1、RG316
  • SMA-K5
    SMA-K5
    モデル ケーブルモデル
    SMA-K5 SYV-50-3、RG142、SFCJ-50-3-51
    SMA-K5C
  • SMA-(J)5
    SMA-(J)5
    モデル ケーブルモデル
    SMA-(J)5 SYV-50-3、RG142、SFCJ-50-3-51
  • SMA-KF2
    SMA-KF2
    モデル ケーブルモデル
    SMA-KF2 SYV-50-1
    SMA-KF3 SYV-50-2-1、RG316
  • SMA-KY2
    SMA-KY2
    モデル ケーブルモデル
    SMA-KY2 SYV-50-1
    SMA-KY3 SYV-50-2-1、RG316
    SMA-KY5 SYV-50-3、RG142、SFCJ-50-3-51
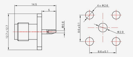
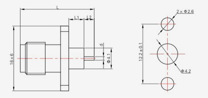
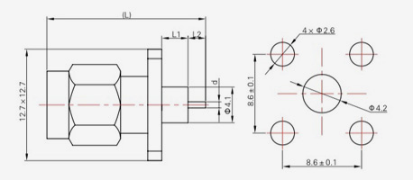
  • SMA-JFD1
    SMA-JFD1
    モデル L L1 L2
    SMA-JFD1 18 3 2
    SMA-JFD30 18 3 1.5
    SMA-JFD95 19 4 2
  • SMA-JFD2
    SMA-JFD2
    モデル L L1 L2 d
    SMA-JFD2 18 3 2 Φ0.7
    SMA-JFD31 18.5 3 2.5 Φ1.0
    SMA-JFD59 25 3 9 Φ1.0
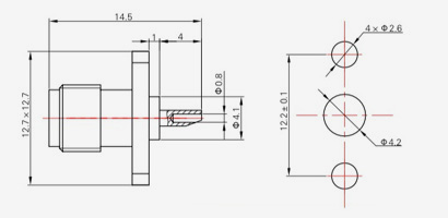
  • SMA-JFD4
    SMA-JFD4
    モデル L L1 L2 d
    SMA-JFD4 32 8 11 Φ1.27
    SMA-JFD5 18 3 2 Φ1.0
    SMA-JFD13 25 8 4 Φ1.27
    SMA-JFD58 29.2 15 2 Φ1.27
  • SMA-JFD6
    SMA-JFD6
    モデル L L1 L2 d
    SMA-JFD6 32 8 11 Φ1.27
    SMA-JFD7 25 8 4 Φ1.27
    SMA-JFD8 31 15 3 Φ1.27
    SMA-JFD9 18.2 3 2 Φ1.27
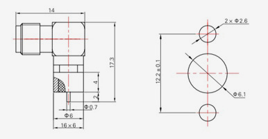
  • SMA-KFD3
    SMA-KFD3
    モデル L L1 L2 d
    SMA-KFD3 27.5 15 3 Φ1.27
    SMA-KFD4 33.5 21 3 Φ1.27
    SMA-KFD8 18.5 6 3 Φ1.27
    SMA-KFD9 24.5 12 3 Φ1.27
    SMA-KFD16 20.5 8 3 Φ1.27
    SMA-KFD21 15.5 2 4 Φ1.27
    SMA-KFD24 22.5 10 3 Φ1.27
    SMA-KFD33 17.5 5 3 Φ1.7
  • SMA-KFD3
    SMA-KFD3
    モデル L L1 L2 d
    SMA-KFD46 16.5 4 3 Φ1.27
    SMA-KFD52 16.5 2 5 Φ1.0
    SMA-KFD53 20.5 6 5 Φ1.0
    SMA-KFD87 15 3 2.5 Φ0.7
    SMA-KFD133 15.5 4 2 Φ0.7
    SMA-KFD146 22.3 7 5 Φ1.0
    SMA-KFD147 18.5 4 5 Φ1.0
  • SMA-KFD5
    SMA-KFD5
    モデル L L1 L2 d
    SMA-KFD5 15.5 4 2 Φ1.27
    SMA-KFD6 22.5 8 5 Φ0.7
    SMA-KFD7 20.5 8 3 Φ1.27
    SMA-KFD18 16 4 1.5 Φ0.5
    SMA-KFD20 18.5 6 3 Φ1.27
    SMA-KFD22 27.5 15 3 Φ1.27
    SMA-KFD23 14.1 4 0.6 Φ0.4
    SMA-KFD30 33.5 21 3 Φ1.27
    SMA-KFD43 21.5 4 8 Φ1.27
    SMA-KFD47 14 2 2.5 Φ1
  • SMA-KFD5
    SMA-KFD5
    モデル L L1 L2 d
    SMA-KFD61 16.5 4.5 2 Φ1.27
    SMA-KFD62 17 3.5 4 Φ1.27
    SMA-KFD63 19.5 3.5 4 Φ1.27
    SMA-KFD64 18 3.5 5 Φ1.27
    SMA-KFD65 19 4.5 5 Φ1.27
    SMA-KFD66 20.5 4.5 6.5 Φ1.27
    SMA-KFD71 15.5 4 2 Φ0.7
    SMA-KFD122 21.5 6 6 Ф1.2
    SMA-KFD123 14.5 2 3 Φ1.2
    SMA-KFD144 19.5 9 1 Φ1.0
    SMA-KFD177 20.5 8 3 Φ1.27
  • SMA-KFD11
    SMA-KFD11
    モデル L L1 L2 d
    SMA-KFD11 14.5 3 2 Φ0.5
    SMA-KFD29 16.5 5 2 Φ0.7
    SMA-KFD75 22.5 4 9 Φ0.7
    SMA-KFD76 14.5 3 2 Φ0.7
    SMA-KFD79 27.5 2 16 Φ1.0
    SMA-KFD95 15.5 4 2 Φ0.7
    SMA-KFD126 17.7 3 5.2 Φ1.0
    SMA-KFD127 22.5 3 10 Φ1.0
    SMA-KFD132 15.5 4 2 Φ1.0
    SMA-KFD140 18.5 5 4 Φ1.0
  • SMA-KFD31
    SMA-KFD31
    モデル L L1 L2 d
    SMA-KFD31 15 3 2.5 Φ1.0
    SMA-KFD32 21.5 3 9 Φ1.0
    SMA-KFD34 17.5 3 5 Φ1
    SMA-KFD80 16.5 3 4 Φ0.7
    SMA-KFD100 16.5 5 2 Φ0.7
    SMA-KFD101 15.5 4 2 Φ0.7
    SMA-KFD102 14.5 3 2 Φ0.7
    SMA-KFD130 21.5 3 9 Φ0.7
    SMA-KFD131 15.5 4 2 Φ1.0
    SMA-KFD134 17 5 2.5 Φ0.7
    SMA-KFD136 19.5 4 6 Φ1
    SMA-KFD163 18.7 3.2 5 Φ1.0
  • SMA-KFD81
    SMA-KFD81
    モデル d
    SMA-KFD81 M1
    SMA-KFD109 M1.6
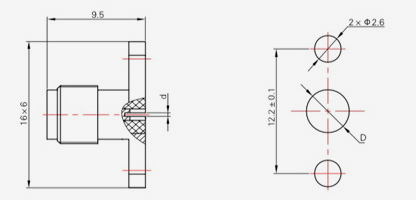
  • SMA-KFD119
    SMA-KFD119
    モデル L L1 L2 d
    SMA-KFD119 17 6.5 1 Φ3.0
    SMA-KFD121 18 6.5 2 Φ3.0
    SMA-KFD141 17.5 4 4 Φ3.2
    SMA-KFD142 18.3 7.8 1 Φ3.0
    SMA-KFD149 17.5 3 5 Φ3.0
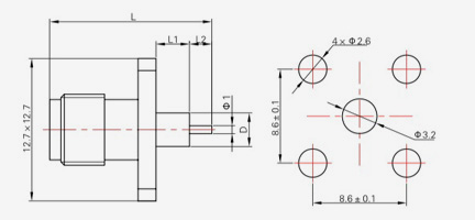
  • SMA-KWFD3
    SMA-KWFD3
    モデル L L1 L2 d D
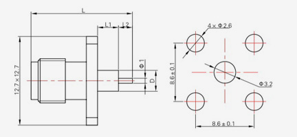
    SMA-KWFD3 26.7 11 4.5 Φ1.27 Φ4.1
    SMA-KWFD4 24.2 8 5 Φ1.0 Φ3.2
    SMA-KWFD5 24.2 8 5 Φ0.7 Φ4.1
    SMA-KWFD6 21.2 5 5 Φ0.7 Φ4.1
    SMA-KWFD7 24.2 3 10 Φ0.7 Φ4.1
    SMA-KWFD8 21.3 5 5 Φ0.7 Φ4.1
    SMA-KWFD9 16.2 3 2 Φ0.7 Φ4.1
    SMA-KWFD12 15.2 2 2 Φ0.7 Φ4.1
    SMA-KWFD49 25.2 5 9 Φ0.17 Φ4.1
  • SMA-JFD11
    SMA-JFD11
    モデル L L1 h
    SMA-JFD11 14 1 0.2
    SMA-JFD17 16 3 0.4
    SMA-JFD18 14 1 0.3
    SMA-JFD19 14 1 0.4
    SMA-JFD20 14 1 0.5
    SMA-JFD24 15 2 0.4
  • SMA-JFD12
    SMA-JFD12
    モデル L h
    SMA-JFD12 13.1 0.4
    SMA-JFD14 13.1 0.55
  • SMA-KFD145
    SMA-KFD145
    モデル L L1 L2
    SMA-KFD145 22.3 7.8 5
    SMA-KFD151 21 2.5 9
    SMA-KFD161 20.5 6.5 5
    SMA-KFD162 17.5 3 5
  • SMA-KWF
    SMA-KWF
    モデル L L1
    SMA-KWF 14.6 3.3
    SMA-KWFD10 13.3 2
  • SMA-JFD16
    SMA-JFD16
    モデル h
    SMA-JFD16 0.2
    SMA-JFD21 0.3
    SMA-JFD22 0.4
    SMA-JFD23 0.5
  • SMA-KFD26
    SMA-KFD26
    モデル h
    SMA-KFD26 0.2
    SMA-KFD27 0.4
    SMA-KFD110 0.3
    SMA-KFD111 0.5
  • SMA-KFD112
    SMA-KFD112
    モデル h
    SMA-KFD112 0.2
    SMA-KFD113 0.3
    SMA-KFD114 0.4
    SMA-KFD115 0.5
  • SMA-KFD10
    SMA-KFD10
    モデル L L1 t
    SMA-KFD10 15.8 3 0.5×0.2
    SMA-KFD14 16.5 4 0.5×0.2
    SMA-KFD35 14.5 2 1.27×0.2
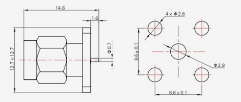
  • SMA-KFD13
    SMA-KFD13
    モデル L L1 t d D
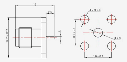
    SMA-KFD13 16 4 0.5×0.2 Φ4.1 Φ4.2
    SMA-KFD14 15.2 3.2 0.5×0.2 Φ4.1 Φ4.2
    SMA-KFD35 15 3 1.27×0.2 Φ4.1 Φ4.2
    SMA-KFD45 14.4 2.4 0.5×0.2 Φ4.1 Φ4.2
    SMA-KFD68 15.2 3.2 0.5×0.2 Φ2.1 Φ2.2
    SMA-KFD73 16 4 1.27×0.2 Φ4.1 Φ4.2
  • SMA-KFD39
    SMA-KFD39
    モデル t
    SMA-KFD39 0.5×0.2
    SMA-KFD149 1.27×0.2
  • SMA-JFD40
    SMA-JFD40
    モデル d D
    SMA-JFD40 Φ0.5 Φ3.0
    SMA-JFD41 Φ0.45 Φ2.8
    SMA-JFD42 Φ0.38 Φ2.5
    SMA-JFD44 Φ0.3 Φ2.0
  • SMA-JFD48
    SMA-JFD48
    モデル d D
    SMA-JFD48 Φ0.5 Φ3.0
    SMA-JFD55 Φ0.45 Φ2.8
    SMA-JFD56 Φ0.38 Φ2.5
    SMA-JFD57 Φ0.3 Φ2.0
  • SMA-KFD40
    SMA-KFD40
    モデル d D
    SMA-KFD40 Ф0.5 Φ3.0
    SMA-KFD41 Φ0.45 Φ2.8
    SMA-KFD42 Φ0.38 Φ2.5
    SMA-KFD44 Φ0.3 Φ2.0
  • SMA-KFD48
    SMA-KFD48
    モデル d D
    SMA-KFD48 Φ0.5 Φ3.0
    SMA-KFD55 Φ0.45 Φ2.8
    SMA-KFD56 Φ0.38 Φ2.5
    SMA-KFD57 Φ0.3 Φ2.0
    SMA-KFD152 Φ0.4 Φ2.8
  • SMA-KHD
    SMA-KHD
    モデル L
    SMA-KHD 13.5
    SMA-KHD10 18.5
  • SMA-KHD1
    SMA-KHD1
    モデル d
    SMA-KHD1 1.2 Φ1.27
    SMA-KHD2 1.5 Φ1.27
    SMA-KHD3 2 Φ1.27
    SMA-KHD4 0.5 Φ1.27
    SMA-KHD5 0.8 Φ1.27
    SMA-KHD6 1 Φ1.27
    SMA-KHD8 1.6 Φ0.8
    SMA-KHD9 1.6 Φ1.27
    SMA-KHD11 1 Φ0.5
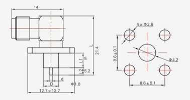
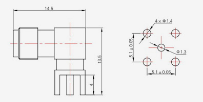
  • SMA-JWF
    SMA-JWF
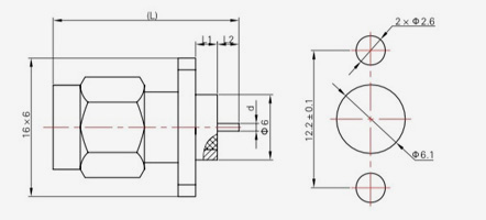
  • SMA-KF1
    SMA-KF1
  • SMA-KFD17
    SMA-KFD17
  • SMA-KFD150
    SMA-KFD150
  • SMA-KWF1
    SMA-KWF1
  • SMA-KYD
    SMA-KYD
  • SMA-JFD3
    SMA-JFD3
  • SMA-JFD61
    SMA-JFD61
  • SMA-KFD19
    SMA-KFD19
  • SMA-KFD36G
    SMA-KFD36G
  • SMA-KFD51
    SMA-KFD51
  • SMA-KFD125
    SMA-KFD125
  • SMA-KFD135
    SMA-KFD135
  • SMA-KWFD2-1
    SMA-KWFD2-1
  • SMA-KWFD2-2
    SMA-KWFD2-2
  • SMA-KFD154
    SMA-KFD154
  • SMA-KFD158
    SMA-KFD158
  • SMA-KWFD2
    SMA-KWFD2
  • SMA-JFD26
    SMA-JFD26
  • SMA-JFD124
    SMA-JFD124
  • SMA-KFD124
    SMA-KFD124
  • SMA-KFD143
    SMA-KFD143
  • SMA-JFD15
    SMA-JFD15
  • SMA-JFD25
    SMA-JFD25
  • SMA-JFD54
    SMA-JFD54
  • SMA-KFD54
    SMA-KFD54
  • SMA-KFD78
    SMA-KFD78
  • SMA-JHD
    SMA-JHD
  • SMA-KHD7
    SMA-KHD7
  • SMA-KWHD
    SMA-KWHD
  • SMA-KWHD4
    SMA-KWHD4
  • SMA-KWHD5
    SMA-KWHD5

連絡を取り合う

[#入力#]
送信
私たちについて
寧波ハンソン通信技術有限公司
寧波ハンソン通信技術有限公司
Ningbo Hanson Communication Technology Co., Ltd. is China SMA RF Coaxial Connector Supplier and Custom SMA RF Coaxial Connector Company. We are a manufacturer specializing in the production, processing, and trade of communication components, with more than 30 years of experience in RF coaxial connectors, adapters, and cable assemblies. 同社は現在、独自の機械加工工場、電気めっき工場、組立工場、および安定した信頼できるサプライヤーのグループを開発しました。会社の目的は、顧客に高品質の製品を提供することです。主な製品 RF 同軸コネクタ、アダプタ、高周波ケーブル アセンブリ、および低相互変調ケーブル アセンブリです。さらに、同社は、製品に対する顧客の特別な要件を満たすためのカスタマイズされたニーズを持つ顧客向けのサービスも提供できます。 同社の製品は、航空宇宙、通信基地局、医療機器、その他のハイテク分野で広く使用されています。企業の改革、革新、発展、成長の際に、当社は率先してISO9001国際品質マネジメントシステムに参加し、管理レベルを継続的に向上させ、新旧の顧客により満足のいく製品とサービスを提供しました。
最新ニュース
  • RF 同軸アダプターは、無線通信、電子機器、信号伝送に不可欠なコンポーネントです。これらは、さまざまな RF 同軸ケーブルとデバイスを接続するブリッジとして機能し、安定した効率的な信号伝送を保証します。しかし、市場には数多くのモデルと仕様の RF 同軸アダプターが存在するため、適切な製品を選択することが多くのエンジニアや技術者にとって懸念事項となってい...

    READ MORE
  • 無線周波数 (RF) コネクタは、現代の通信および電子機器、特に高周波信号の伝送において重要な役割を果たしています。無線通信、5G ネットワーク、衛星通信、または放送、テレビ、レーダー システムなどのアプリケーションのいずれにおいても、RF コネクタは信号の安定性と完全性を確保する必要があります。ただし、実際のアプリケーションでは、RF コネクタにさま...

    READ MORE
  • RFケーブルアセンブリ は、無線周波数 (RF) 信号の伝送に使用される主要な電気部品です。これらは RF ケーブル、コネクタ、その他の補助コンポーネントで構成され、通信、レーダー、衛星、放送、無線ネットワークなどのさまざまな高周波信号伝送システムで広く使用されています。 RF ケーブル アセンブリは、安定した信号伝送を保証するだけでなく、...

    READ MORE
  • SMAコネクタ RF アプリケーションで最も一般的で広く使用されている同軸コネクタの 1 つであり、通信機器、マイクロ波システム、アンテナ、試験機器、GPS、レーダー、およびその他の高周波システムで広く使用されています。 SMA コネクタの構造は単純に見えますが、取り付けや接続時に小さなミスをすると、信号の減衰、VSWR の増加、接触不良、...

    READ MORE
ビジネスチャンスをお探しですか?

今日の電話リクエスト