OEM N type RF Coaxial Connector Supplier

寧波ハンソン通信技術有限公司 / 製品 / RF同軸コネクタ / N型RF同軸コネクタ

N型RF同軸コネクタ

説明:

N タイプ シリーズ RF 同軸コネクタは、米国軍事規格 MIL-C-39012 に従って開発、製造されたネジ接続機構を備えた RF 同軸コネクタです。広い帯域幅、良好な耐衝撃性、高い信頼性、優れた性能の特徴を備えており、マイクロ波通信および測定システムに広く使用されています。弊社工場で生産するN型シリーズRF同軸コネクタの特性インピーダンスは50Ωと75Ωの2種類に分かれます。

パラメータ:

主な技術仕様:
◆特性インピーダンス:50Ω/75Ω
◆周波数範囲:DC-18GHz(50Ω)/DC-3GHz(75Ω)
◆ 絶縁抵抗: ≥5000MΩ
◆耐電圧:1500V(rms)
◆ 電圧定在波比 (VSWR): ≤1.30
◆ 嵌合回数: 500 回

お問い合わせ

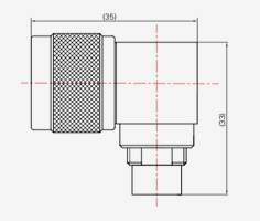
薄暗い
途中
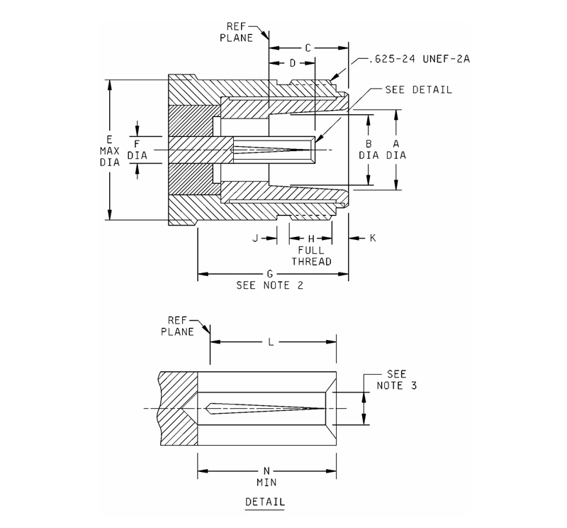
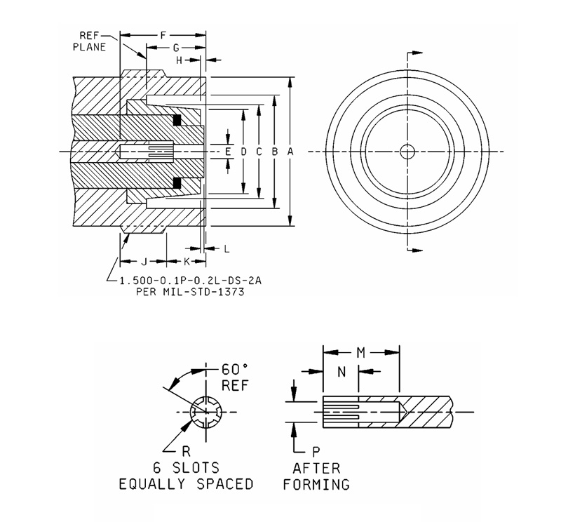
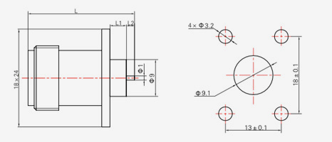
インチ (mm)
分。 最大。
.336 (8.53) .344 (8.74)
B .316 (8.03) .320 (8.13)
C .356 (9.04) .362 (9.19)
D .187 (4.75) .207 (5.26)
E ------- .627 (15.93)
F .119 (3​​.02) .124 (3.15)
G .422 (10.72) -------
H .172 (4.37) .220 (5.59)
J .047 (1.19) .077 (1.96)
K .047 (1.19) .077 (1.96)
L .187 (4.75) .207 (5.26)
N .210 (5.33) -------

注:
1. このインターフェースは、に指定されているゲージ要件を満たさなければなりません。
MIL-PRF-39o12/2。
2. 相手側コネクタのカップリングナットのクリアランス。
3. VSwR、嵌合特性、接触抵抗、および
直径 .063/.066 のピンと嵌合した場合のコネクタの耐久性。

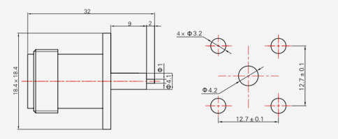
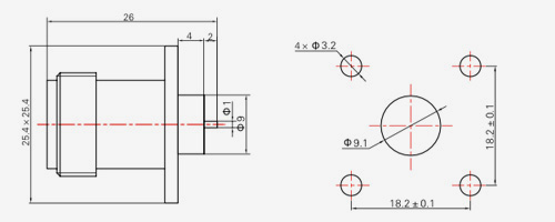
薄暗い
途中
インチ (mm)
分。 最大。
1.740 (44.20) 1.760 (44.70)
B 1.537 (39.04) 1.543 (39.19)
C 1.060 (26.92) 1.064 (27.03)
D .964 (24.49) .974 (24.74)
E .194 (4.93) .196 (4.98)
F .836 (21.23) .856 (21.74)
G .372 (9.45) .392 (9.96)
H .271 (6.88) .291 (7.39)
J 551 (14.00) .571 (14.50)
K .370 (9.40) .380 (9.65)
L .001 (0.03) .013 (0.33)

注:
1. このインターフェースは、に指定されているゲージ要件を満たさなければなりません。 MIL-PRF-39012/44.

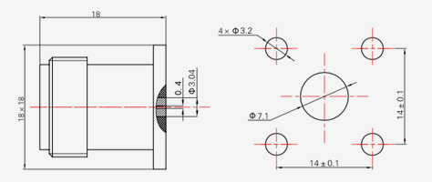
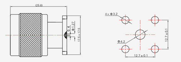
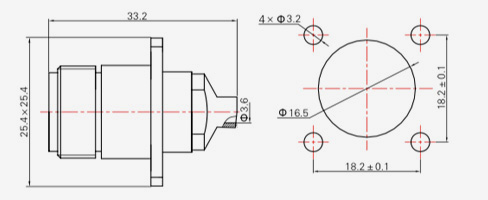
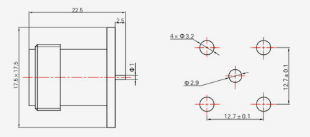
薄暗い
途中
インチ (mm)
分。 最大。
1.404 (35.66) 1.408 (35.76)
B 1.100 (27.94) 1.120 (28.45)
C 1.998 (50.75) 1.002 (25.45)
D 936 (23.77) .940 (23.88)
E .191 (4.85) .195 (4.95)
F .763 (19.38) .783 (19.89)
G .465 (11.81) .485 (12.32)
H .062 (1.57) リファレンス
J .302 (7.67) .322 (8.18)
K .302 (7.67) .322 (8.18)
L .001 (0.03) .013 (0.33)
M .490 (12.45) .510 (12.95)
N .240 (6.10) ,260 (6.60)
P .187 (4.75) .189 (4.80)
R .014 (0.36) .018 (0.46)

注:
1. このインターフェースは、に指定されているゲージ要件を満たさなければなりません。 MIL-PRF-39012/45.

N SERIES
  • N-JB2
    N-JB2
    モデル ケーブルの種類 d
    N-JB2 SFT-50-2,670-086 Φ2.2
    N-JB3 SFT-50-3,670-141 Ф3.6
  • N-JB3-1
    N-JB3-1
    モデル ケーブルの種類 L
    N-JB3-1 SFT-50-3,670-141 17.6
    N-JB3A-1 SFT-50-3,670-141 16.5
  • N-KB3
    N-KB3
    モデル ケーブルの種類
    N-KB3 SFT-50-3,670-141
  • N-KFB3
    N-KFB3
    モデル ケーブルの種類
    N-KFB3 SFT-50-3,670-141
  • N-KYB3
    N-KYB3
    モデル ケーブルの種類
    N-KYB3 SFT-50-3,670-141
  • N-J3
    N-J3
    モデル ケーブルの種類
    N-J3 SYV-50-2-1、RG316
    N-J4 SYV-50-2-2
  • N-J5
    N-J5
    モデル ケーブルの種類 L
    N-J5 SYV-50-3、RG142、SFCJ-50-3-51 33
    N-J5C SYV-50-3、RG142、SFCJ-50-3-51 33
    N-J7 SYV-50-5-1、SFCJ-50-5-51 36
    N-J10 SYV-50-7-1、SYV-50-7-2、SFCJ-50-7-51 36
  • N-J5.3
    N-J5.3
    モデル ケーブルの種類
    N-J5.3 32055,205,GNB415
  • N-J311
    N-J311
    モデル ケーブルの種類
    N-J311 FFB311A
  • N-J10-1
    N-J10-1
    モデル ケーブルの種類
    N-J10-1 SFCJ-50-7-51
  • N-JW5
    N-JW5
    モデル ケーブルの種類
    N-JW5 SFCJ-50-3-51、SYV-50-3-4、RG142
    N-JW7 SFCJ-50-5-51、SYV-50-5-1
    N-JW10 SFCJ-50-7-51、SYV-50-7-2
  • N-JW8A
    N-JW8A
    モデル ケーブルの種類
    N-JW8A FFB311A、SYV-50-5
    N-JW12A SYV-75-3
    N-JW13A SYV-75-5
  • N-K3
    N-K3
    モデル ケーブルの種類
    N-K3 SYV-50-2-1、RG316
  • N-K5
    N-K5
    モデル ケーブルの種類 L
    N-K5 SYV-50-3、RG142、SFCJ-50-3-51 36
    N-K7 SYV-50-5-1、SFCJ-50-5-51 38
    N-K10 SYV-50-7-1、SFCJ-50-7-51 38
  • N-KF5
    N-KF5
    モデル ケーブルの種類 L
    N-KF5 SYV-50-3、RG142、SFCJ-50-3-51 36
    N-KF7 SYV-50-5-1、SFCJ-50-5-51 38
    N-KF10 SYV-50-7-1、SFCJ-50-7-51 38
  • N-KF3A
    N-KF3A
    モデル ケーブルの種類 L
    N-KF3A SYV-50-2-1、RG316 33
    N-KF5A SYV-50-3-4、RG142 42
  • N-KY3Y
    N-KY3Y
    モデル ケーブルの種類
    N-KY3Y SYV-50-2-1、RG316
  • N-KFD
    N-KFD
    モデル L L1 L2
    KFD 26 4 2
    KFD2 31 6 5
    KFD15 30 6 4
    KFD16 28.5 6 2.5
    KFD17 28 6 2
    KFD18 29 5 4
    KFD19 29 4 5
    KFD20 33 4 9
  • N-KF
    N-KF
  • N-JFD1
    N-JFD1
  • N-JFD3
    N-JFD3
  • N-JFD23
    N-JFD23
  • N-KFD1
    N-KFD1
  • N-KFD7
    N-KFD7
  • N-KFD11
    N-KFD11
  • N-KFD50
    N-KFD50
  • N-KFD-Z
    N-KFD-Z
  • N-KFD9
    N-KFD9
  • N-KFD14
    N-KFD14

連絡を取り合う

[#入力#]
送信
私たちについて
寧波ハンソン通信技術有限公司
寧波ハンソン通信技術有限公司
Ningbo Hanson Communication Technology Co., Ltd. is China N type RF Coaxial Connector Supplier and Custom N type RF Coaxial Connector Company. We are a manufacturer specializing in the production, processing, and trade of communication components, with more than 30 years of experience in RF coaxial connectors, adapters, and cable assemblies. 同社は現在、独自の機械加工工場、電気めっき工場、組立工場、および安定した信頼できるサプライヤーのグループを開発しました。会社の目的は、顧客に高品質の製品を提供することです。主な製品 RF 同軸コネクタ、アダプタ、高周波ケーブル アセンブリ、および低相互変調ケーブル アセンブリです。さらに、同社は、製品に対する顧客の特別な要件を満たすためのカスタマイズされたニーズを持つ顧客向けのサービスも提供できます。 同社の製品は、航空宇宙、通信基地局、医療機器、その他のハイテク分野で広く使用されています。企業の改革、革新、発展、成長の際に、当社は率先してISO9001国際品質マネジメントシステムに参加し、管理レベルを継続的に向上させ、新旧の顧客により満足のいく製品とサービスを提供しました。
最新ニュース
  • RF 同軸アダプターは、無線通信、電子機器、信号伝送に不可欠なコンポーネントです。これらは、さまざまな RF 同軸ケーブルとデバイスを接続するブリッジとして機能し、安定した効率的な信号伝送を保証します。しかし、市場には数多くのモデルと仕様の RF 同軸アダプターが存在するため、適切な製品を選択することが多くのエンジニアや技術者にとって懸念事項となってい...

    READ MORE
  • 無線周波数 (RF) コネクタは、現代の通信および電子機器、特に高周波信号の伝送において重要な役割を果たしています。無線通信、5G ネットワーク、衛星通信、または放送、テレビ、レーダー システムなどのアプリケーションのいずれにおいても、RF コネクタは信号の安定性と完全性を確保する必要があります。ただし、実際のアプリケーションでは、RF コネクタにさま...

    READ MORE
  • RFケーブルアセンブリ は、無線周波数 (RF) 信号の伝送に使用される主要な電気部品です。これらは RF ケーブル、コネクタ、その他の補助コンポーネントで構成され、通信、レーダー、衛星、放送、無線ネットワークなどのさまざまな高周波信号伝送システムで広く使用されています。 RF ケーブル アセンブリは、安定した信号伝送を保証するだけでなく、...

    READ MORE
  • SMAコネクタ RF アプリケーションで最も一般的で広く使用されている同軸コネクタの 1 つであり、通信機器、マイクロ波システム、アンテナ、試験機器、GPS、レーダー、およびその他の高周波システムで広く使用されています。 SMA コネクタの構造は単純に見えますが、取り付けや接続時に小さなミスをすると、信号の減衰、VSWR の増加、接触不良、...

    READ MORE
ビジネスチャンスをお探しですか?

今日の電話リクエスト